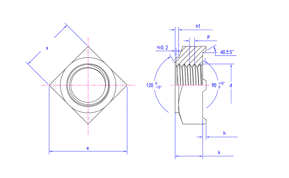
Porcas de solda quadradas de aço inoxidável DIN 928
| Características de aparência | Quadrado, geralmente projetado para conexão de soldagem |
| Recursos internos | Rosca interna padrão, quadrada externamente, pode ser soldada à estrutura |
| Objetivo Principal | Para soldagem em placas de metal para formar conexões permanentes |
| Vantagens e recursos | O design quadrado é fácil de soldar e adequado para conexões de grandes áreas. |
| Usos típicos | Comumente usado para conexões metálicas que requerem soldagem |
| Indicadores-chave para seleção | Tamanho da rosca, design quadrado, resistência de soldagem |
| Requisitos Específicos da Indústria | Indústria de soldagem: Adequado para fixação estrutural que requer soldagem. |















