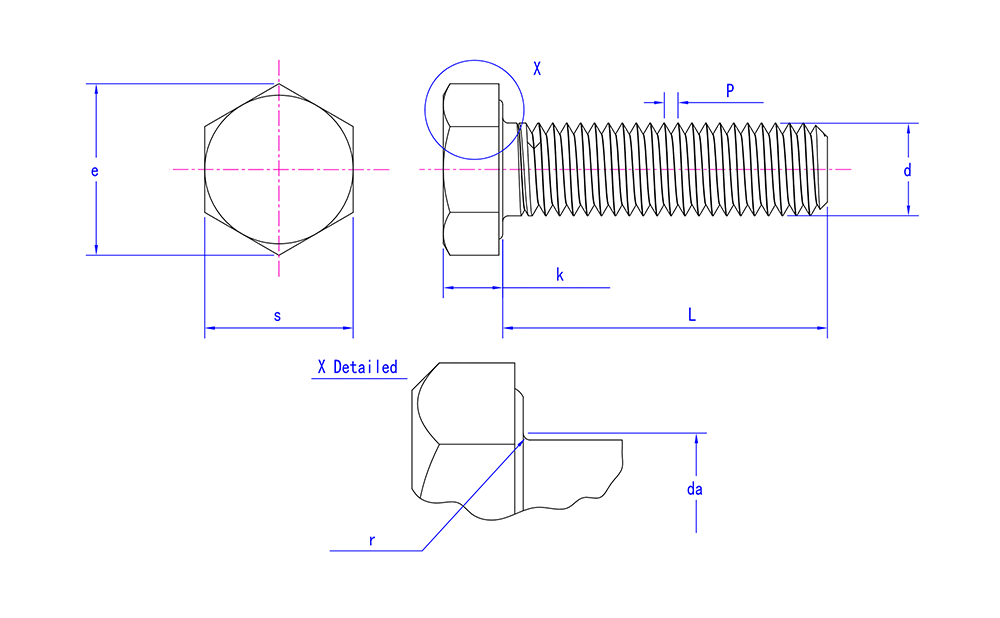
Parafusos sextavados de aço inoxidável DIN933 com rosca completa
| Recursos principais | Totalmente rosqueado |
| Recursos da haste | Cabeça hexagonal padrão |
| Objetivo Principal | Utilizado para conexões pesadas, capazes de suportar cargas elevadas. |
| Vantagens e recursos | O design totalmente rosqueado oferece maior resistência de conexão, adequado para longas distâncias conexões. |
| Usos típicos | Conexões para equipamentos pesados, equipamentos industriais, indústria automotiva, máquinas, e instalações de construção. |
| Indicadores-chave para seleção | Comprimento do parafuso, diâmetro, totalmente rosqueado, seleção de material, capacidade de carga. |
| Requisitos Específicos da Indústria | Máquinas pesadas: usadas para suportar grandes forças de tensão e cisalhamento, exigindo forte capacidade de fixação. Indústria da construção: adequado para conexões que requerem contato total da rosca. |















